ACS Mechanical-Bearing Direct-Drive Rotary Stage
Our ACS series rotary stages with integrated ER collet chuck or 3-jaw gripper configurations provide automated material handling capability for a wide range of materials and applications.
Description
Specifications
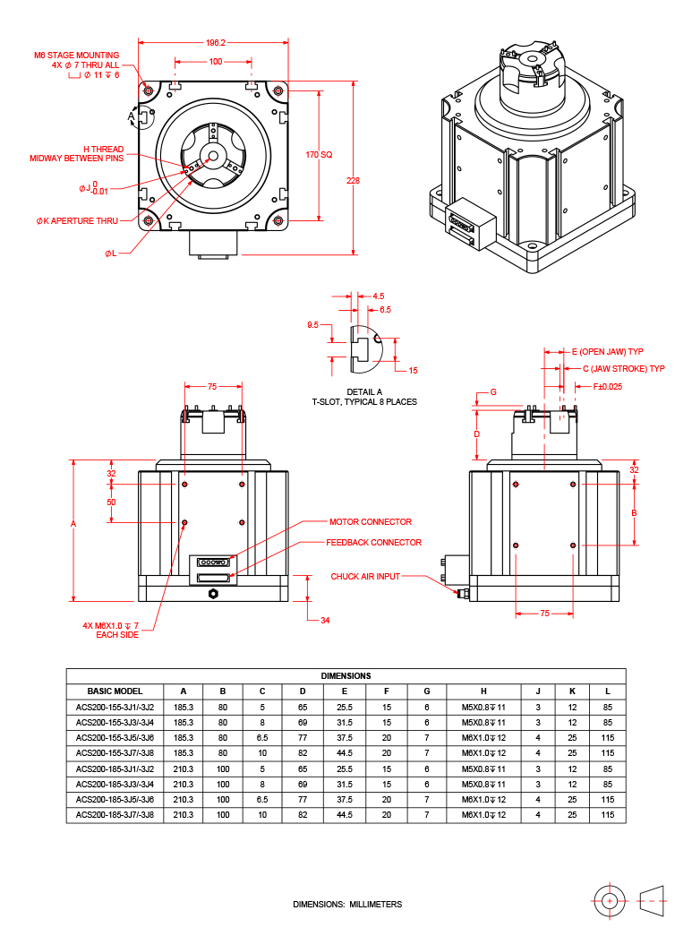
Dimensions
Ordering Info
Downloads
Description
Description
Specifications
Dimensions
Ordering Info
Downloads
Description
Design Features
- Integral pneumatic ER collet chuck or 3-jaw gripper
- Clear aperture for product feed-through
- Normally-closed or -open gripper options
- Low-inertia shaft for maximum acceleration
- Direct-drive brushless motor and encoder
- Integral frictionless rotary union
High Precision ER Collet
The collet chuck on the ACS 150 accepts either ER25 or ER40 series collets. These collets are readily available from machine-tool component suppliers in sizes that support tube diameters from 0.5 mm to 30 mm. ER collets provide excellent run-out characteristics for applications requiring high-precision gripping of tubular material. The collet is retained with a threaded retaining nut enabling quick changeover. It is configured in a “fail-safe” normally closed mode where full clamping force is applied when no air pressure is present.
Flexible 3-Jaw Gripper
Both the ACS 150 and ACS 200 support three-jaw grippers with clear apertures for product feed-through. All gripper assemblies are configurable as either normally-open or normally-closed with various jaw strokes to support a wide range of material sizes. The gripper can be fitted with custom jaws for the handling of materials with non-round profiles such as square or hexagonal bar stock. The normally-open and -closed options also provide the ability to grip either the O.D. or I.D. of the material.
Integral Rotary Union
Air is delivered to the collet or gripper assembly through an integral rotary union. The 3-jaw grippers use a seal-based rotary union design while the ER collet option uses a seal-less, frictionless design. This 100% noncontact rotary union design ensures a lifetime of maintenance-free operation. The combination collet chuck or gripper and rotary union assembly also have significantly less friction and inertia than external assemblies created from discrete parts. This reduced inertia improves system performance by allowing higher peak acceleration and reducing position error during laser machining operations.
Brushless Direct-Drive
To maximize positioning performance the ACS series utilizes direct-drive brushless motor technology. Direct-drive technology is optimized for 24/7 production environments, as there are no brushes to replace and no gear trains or belts to maintain. Direct-drive also provides quicker acceleration and higher top speeds than gear- or belt-driven mechanisms, which yields higher total overall throughput.
The low maintenance, high throughput characteristics of the ACS coupled with the integral material handling capability provide the lowest total cost of ownership when compared to component-level solutions.
Encoder Option |
ACS100 |
ACS150 |
CS200 |
| -E1 / -E2 / -E3 / -E4 | 800 rpm | 600 rpm | 600 rpm |
| - E5 | 800 rpm | 600 rpm | 500 rpm |
Ordering Information
ACS100 Mechanical-Bearing Direct-Drive Rotary Collet Stage
Stage Size (Required)
| Option | Description |
| -85 | 85 mm stage height |
| -135 | 135 mm stage height |
Chuck Style (Required)
| Option | Description |
| -ER8 | ER8 ultra-precision collet |
| -ER8MB | ER8 microbore collet |
Feedback (Required)
| Option | Description |
| -E6 | Incremental encoder, 1 Vpp |
| -E7 | Incremental Encoder, Digital RS422, 6.48 arc sec Electrical Resolution |
| -E8 | Incremental Encoder, Digital RS422, 3.24 arc sec Electrical Resolution |
| -E9 | Incremental Encoder, Digital RS422, 1.62 arc sec Electrical Resolution |
| -E10 | Incremental Encoder, Digital RS422, 1.30 arc sec Electrical Resolution |
- Digital output encoder signals are synthesized with a 16 MHz clock. Care must be taken to ensure that the encoder sample rate on the controller is at least 16 MHz or higher. Slower clock rates are available on request.
Rear Seal (Optional)
| Option | Description |
| -SL | Rear seal |
Connector (Required)
| Option | Description |
| -CN1 | 4-pin HPD motor and 25-pin D Fbk connectors |
| -CN2 | 25-pin D motor and 25-pin D Fbk connectors |
Wrench (Optional)
| Option | Description |
| -WR | Wrench for changing collet |
Air Purge (Optional)
| Option | Description |
| -PR | Air Purge |
Metrology (Required)
| Option | Description |
| -PL1 | Metrology, uncalibrated with performance plots |
| -PL2 | Metrology, calibrated (HALAR) with performance plots |
Integration (Required)
Aerotech offers both standard and custom integration services to help you get your system fully operational as quickly as possible. The following standard integration options are available for this system. Please consult Aerotech if you are unsure what level of integration is required, or if you desire custom integration support with your system.
| Option | Decription |
| -TAS | Integration - Test as system Testing, integration, and documentation of a group of components as a complete system that will be used together (ex: drive, controller, and stage). This includes parameter file generation, system tuning, and documentation of the system configuration. |
| -TAC | Integration - Test as components Testing and integration of individual items as discrete components that ship together. This is typically used for spare parts, replacement parts, or items that will not be used together. These components may or may not be part of a larger system. |
Accessories (To Be Ordered As Separate Line Item)
| Option | Description |
| Collet-ER8-CLTxx | ER8 DIN6499AA electropolished collet, 0.5 mm to 5 mm part diameter sizes available |
| Collet-ER8MB-CLTxx | ER8 DIN6499AA electropolished microbore collet, 0.2 mm to 0.9 mm part diameter available |
| CGF | Collet and Gripper Filtration Kit |
ACS150 Mechanical-Bearing Direct-Drive Rotary Collet Stage
Stage Size (Required)
| Option | Description |
| -115 | 115 mm stage height |
| -135 | 135 mm stage height |
| -180 | 180 mm stage height |
Chuck Style (Required)
| Option | Description |
| -ER25 | ER25 ultra-precision collet |
| -ER40 | ER40 ultra-precision collet |
| -3J1 | 3-jaw gripper, 10 mm stroke, normally closed |
| -3J2 | 3-jaw gripper, 10 mm stroke, normally open |
| -3J3 | 3-jaw gripper, 16 mm stroke, normally closed |
| -3J4 | 3-jaw gripper, 16 mm stroke, normally open |
Feedback (Required)
| Option | Description |
| -E6 | Incremental encoder, 1 Vpp |
| -E7 | Incremental Encoder, Digital RS422, 4.48 arcsec Electrical Resolution |
| -E8 | Incremental Encoder, Digital RS422, 2.24 arcsec Electrical Resolution |
| -E9 | Incremental Encoder, Digital RS422, 1.12 arcsec Electrical Resolution |
| -E10 | Incremental Encoder, Digital RS422, 0.90 arcsec Electrical Resolution |
- Digital output encoder signals are synthesized with a 16 MHz clock. Care must be taken to ensure that the encoder sample rate on the controller is at least 16 MHz or higher. Slower clock rates are available on request.
Rear Seal (Optional)
| Option | Description |
| -SL | Rear seal |
Wrench (Optional)
| Option | Description |
| -WR | Wrench for changing collet |
Metrology (Required)
| Option | Description |
| -PL1 | Metrology, uncalibrated with performance plots |
| -PL2 | Metrology, calibrated (HALAR) with performance plots |
Integration (Required)
Aerotech offers both standard and custom integration services to help you get your system fully operational as quickly as possible. The following standard integration options are available for this system. Please consult Aerotech if you are unsure what level of integration is required, or if you desire custom integration support with your system.
| Option | Description |
| -TAS | Integration - Test as system Testing, integration, and documentation of a group of components as a complete system that will be used together (ex: drive, controller, and stage). This includes parameter file generation, system tuning, and documentation of the system configuration. |
| -TAC | Integration - Test as components Testing and integration of individual items as discrete components that ship together. This is typically used for spare parts, replacement parts, or items that will not be used together. These components may or may not be part of a larger system. |
Accessories (To Be Ordered As Separate Line Item)
| Option | Description |
| Collet-ER25-CLTxx | ER25 DIN6499AA electropolished collet, 0.5 mm to 15 mm part holding sizes available |
| Collet-ER40-CLTxx | ER40 DIN6499AA electropolished collet, 15.5 mm to 25 mm part holding sizes available |
| CGF | Collet and Gripper Filtration Kit |
- ER40 collet sizes below 15.5 mm diameter are not supported. Use the ER25 collet chuck if these sizes are required.
ACS200 Mechanical-Bearing Direct-Drive Rotary Collet Stage
Stage Size (Required)
| Option | Description |
| -155 | 155 mm stage height |
| -185 | 185 mm stage height |
Chuck Style (Required)
| Option | Description |
| -3J1 | 3-jaw gripper with 12 mm clear aperture, 10 mm stroke, normally closed |
| -3J2 | 3-jaw gripper with 12 mm clear aperture, 10 mm stroke, normally open |
| -3J3 | 3-jaw gripper with 12 mm clear aperture, 16 mm stroke, normally closed |
| -3J4 | 3-jaw gripper with 12 mm clear aperture, 16 mm stroke, normally open |
| -3J5 | 3-jaw gripper with 25 mm clear aperture, 13 mm stroke, normally closed |
| -3J6 | 3-jaw gripper with 25 mm clear aperture, 13 mm stroke, normally open |
| -3J7 | 3-jaw gripper with 25 mm clear aperture, 20 mm stroke, normally closed |
| -3J8 | 3-jaw gripper with 25 mm clear aperture, 20 mm stroke, normally open |
Feedback (Required)
| Option | Description |
| -E6 | Incremental encoder, 1 Vpp |
| -E7 | Incremental Encoder, digital RS422, 2.91 arc sec electrical resolution |
| -E8 | Incremental Encoder, digital RS422, 1.45 arc sec electrical resolution |
| -E9 | Incremental Encoder, digital RS422, 0.73 arc sec electrical resolution |
| -E10 | Incremental Encoder, digital RS422, 0.58 arc sec electrical resolution |
- Digital output encoder signals are synthesized with a 16 MHz clock. Care must be taken to ensure that the encoder sample rate on the controller is at least 16 MHz or higher. Slower clock rates are available on request.
Metrology (Required)
| Option | Description |
| -PL1 | Metrology, uncalibrated with performance plots |
| -PL2 | Metrology, calibrated (HALAR) with performance plots |
Integration (Required)
Aerotech offers both standard and custom integration services to help you get your system fully operational as quickly as possible. The following standard integration options are available for this system. Please consult Aerotech if you are unsure what level of integration is required, or if you desire custom integration support with your system.
| Option | Description |
| -TAS | Integration - Test as system Testing, integration, and documentation of a group of components as a complete system that will be used together (ex: drive, controller, and stage). This includes parameter file generation, system tuning, and documentation of the system configuration. |
| -TAC | Integration - Test as components Testing and integration of individual items as discrete components that ship together. This is typically used for spare parts, replacement parts, or items that will not be used together. These components may or may not be part of a larger system. |
Accessories (To Be Ordered As Separate Line Item)
| Option | Description |
| CGF | Collet and Gripper Filtration Kit |




