BLM Series Linear Motors
Aerotech’s “U-channel” BLM series linear motors are 86.4 mm x 34.3 mm in cross section and have proven ideal for both high-accuracy and high-throughput applications.
Description
Specifications
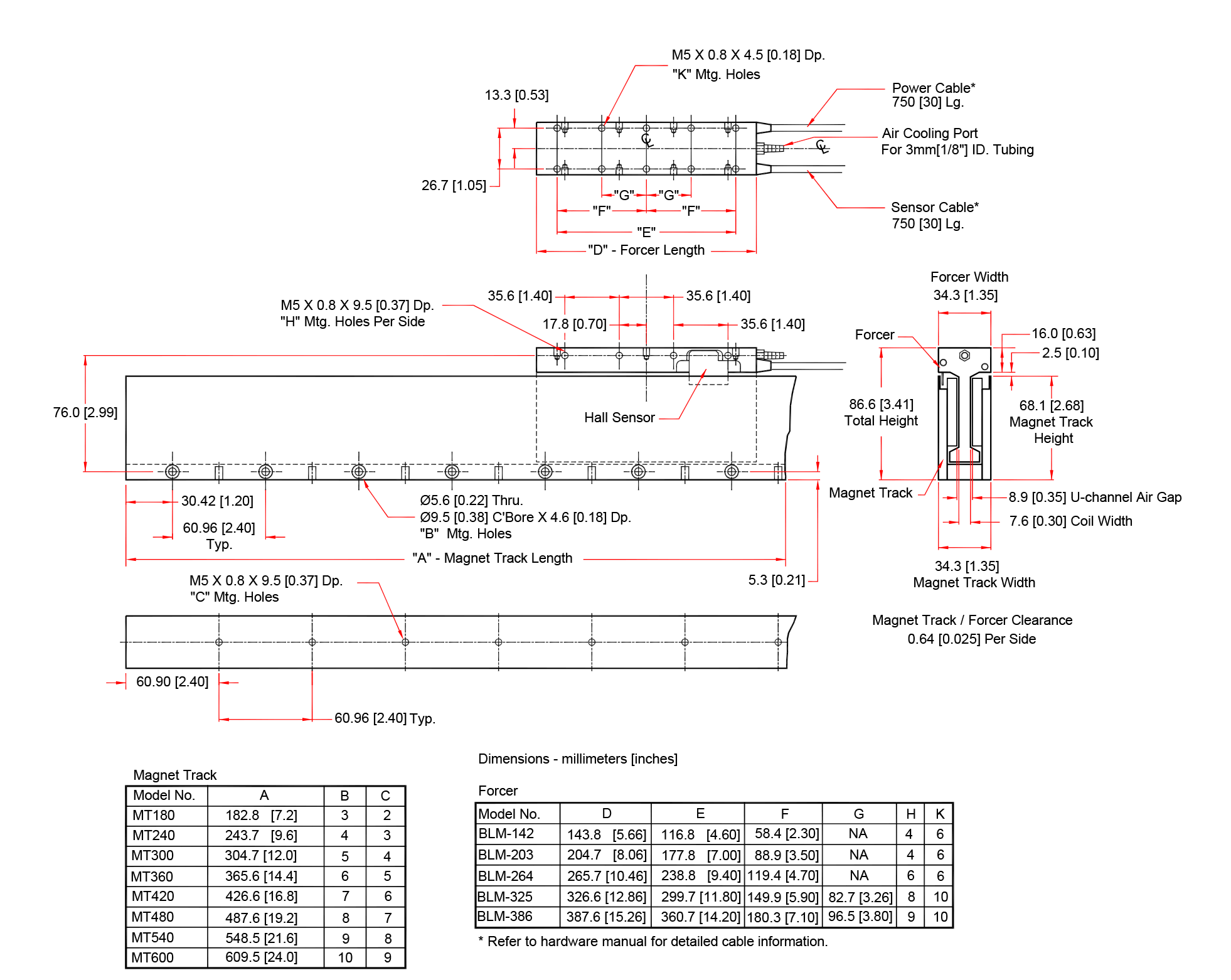
Dimensions
Ordering Info
Downloads
Description
Description
Specifications
Dimensions
Ordering Info
Downloads
Description
Design Features
- High output force in an 86.4 mm x 34.3 mm cross section
- Continuous force to 397.6 N (89.4 lb); peak force to 1590.4 N (357.5 lb)
- High-energy rare-earth magnets used in magnet tracks for high acceleration capability
- Non-magnetic forcer provides high force with zero cogging for super-smooth velocity and position control
- CE approved, follows the EU 2015/863 RoHS 3 directive
BLM series motors are direct drive and consist of a noncontacting forcer and "U-channel" rare-earth magnet track. This design eliminates backlash, windup, wear and maintenance issues associated with ball screws, belts, and rack and pinions.
The noncontact design of the forcer and magnet track results in a maintenance-free system.
The compact forcer assembly contains Hall-effect devices, and a thermal sensor, and is constructed of reinforced ceramic epoxy. This ironless design eliminates eddy-current losses that otherwise would limit speed and produce additional heat. For highest rms force, optional air cooling is available. Offering high peak forces in its standard configuration, BLM motors are available with special high-power magnets that can increase output force.
The BLM series nonmagnetic forcer eliminates cogging and magnetic attraction to allow for extremely smooth motion and very tight velocity and position control. These linear motors are ideal for any application that requires high levels of positioning resolution and accuracy. BLM series linear motors are forgiving to align, easy to assemble, and keep the magnetic field well-contained. Magnet tracks are stackable for any travel length. They are also suited for cleanroom use as they produce no particulates.
The BLM can be driven using standard Aerotech brushless amplifiers and controllers to provide a complete integrated system.
Ordering Information
BLM Brushless Linear Servomotor
| Option | Description |
| BLM-142 | Linear motor forcer with thermistor; 142 mm long |
| BLM-203 | Linear motor forcer with thermistor; 203 mm long |
| BLM-264 | Linear motor forcer with thermistor; 264 mm long |
| BLM-325 | Linear motor forcer with thermistor; 325 mm long |
| BLM-386 | Linear motor forcer with thermistor; 386 mm long |
| BLM-x | Linear motor forcer with thermistor; custom length |
Winding
| Option | Description |
| -A | 76 cm (2.5 ft) flying leads (standard) |
- Contact factory to inquire about or check availability of alternate winding options.
Air Cooling
| Option | Description |
| -NC | No air cooling fitting is installed |
| -AC | Includes air cooling fitting |
Hall Effect
| Option | Description |
| -H | Hall effect sensors included |
| -NH | No hall effect sensors included |
Preparation
| Option | Description |
| -S | Standard preparation |
| -V | Vacuum preparation for 10-6 Torr |
| -UHV | Ultra-high vacuum preparation, contact factory |
Cable Length
| Option | Description |
| -750 | 750 mm length high-flex cables |
| -5000 | 5.0 meter length high-flex cables |
Magnet Tracks
| Option | Description |
| MT180P | "U" channel magnet track for use with BLM-series forcers, 180 mm long |
| MT240P | "U" channel magnet track for use with BLM-series forcers, 240 mm long |
| MT300P | "U" channel magnet track for use with BLM-series forcers, 300 mm long |
| MT330P | "U" channel magnet track for use with BLM-series forcers, 330 mm long |
| MT360P | "U" channel magnet track for use with BLM-series forcers, 360 mm long |
| MT420P | "U" channel magnet track for use with BLM-series forcers, 420 mm long |
| MT540P | "U" channel magnet track for use with BLM-series forcers, 540 mm long |
| MT480P | "U" channel magnet track for use with BLM-series forcers, 480 mm long |
| MT600P | "U" channel magnet track for use with BLM-series forcers, 600 mm long |
| MTxP | "U" channel magnet track for use with BLM-series forcers; custom length |
| MT240S | "U" channel magnet track for use with BLM-series forcers, 240 mm long |
| MT300S | "U" channel magnet track for use with BLM-series forcers, 300 mm long |
| MT360S | "U" channel magnet track for use with BLM-series forcers, 360 mm long |
| MT420S | "U" channel magnet track for use with BLM-series forcers, 420 mm long |
| MT540S | "U" channel magnet track for use with BLM-series forcers, 540 mm long |
| MT480S | "U" channel magnet track for use with BLM-series forcers, 480 mm long |
| MT600S | "U" channel magnet track for use with BLM-series forcers, 600 mm long |
| MTxS | "U" channel magnet track for use with BLM-series forcers; custom length |
- Magnet tracks are ordered as separate line items. Magnet track part numbers ending with “P” are high performance grade, including magnets on both sides of the track. Magnet track numbers ending with “S” are standard performance grade, including magnets on a single side of the track.
Integration (Required)
Aerotech offers both standard and custom integration services to help you get your system fully operational as quickly as possible. The following standard integration options are available for this system. Please consult Aerotech if you are unsure what level of integration is required, or if you desire custom integration support with your system.
| Option | Description |
| -TAS | Integration - Test as system Testing, integration, and documentation of a group of components as a complete system that will be used together (ex: drive, controller, and stage). This includes parameter file generation, system tuning, and documentation of the system configuration. |
| -TAC | Integration - Test as components Testing and integration of individual items as discrete components that ship together. This is typically used for spare parts, replacement parts, or items that will not be used together. These components may or may not be part of a larger system. |


