ANT130L Single-Axis Linear Nanopositioning Stages
Our second-generation ANT130L linear stages are the leading solution for addressing your nanometer-level motion and positioning needs. Available in a variety of configurations, they excel at delivering superior accuracy, repeatability, speed and reliability. Their impressive dynamic capabilities and ample load capacity make ANT130L stages an excellent choice for your high-precision industrial or research process.
Description
Specifications
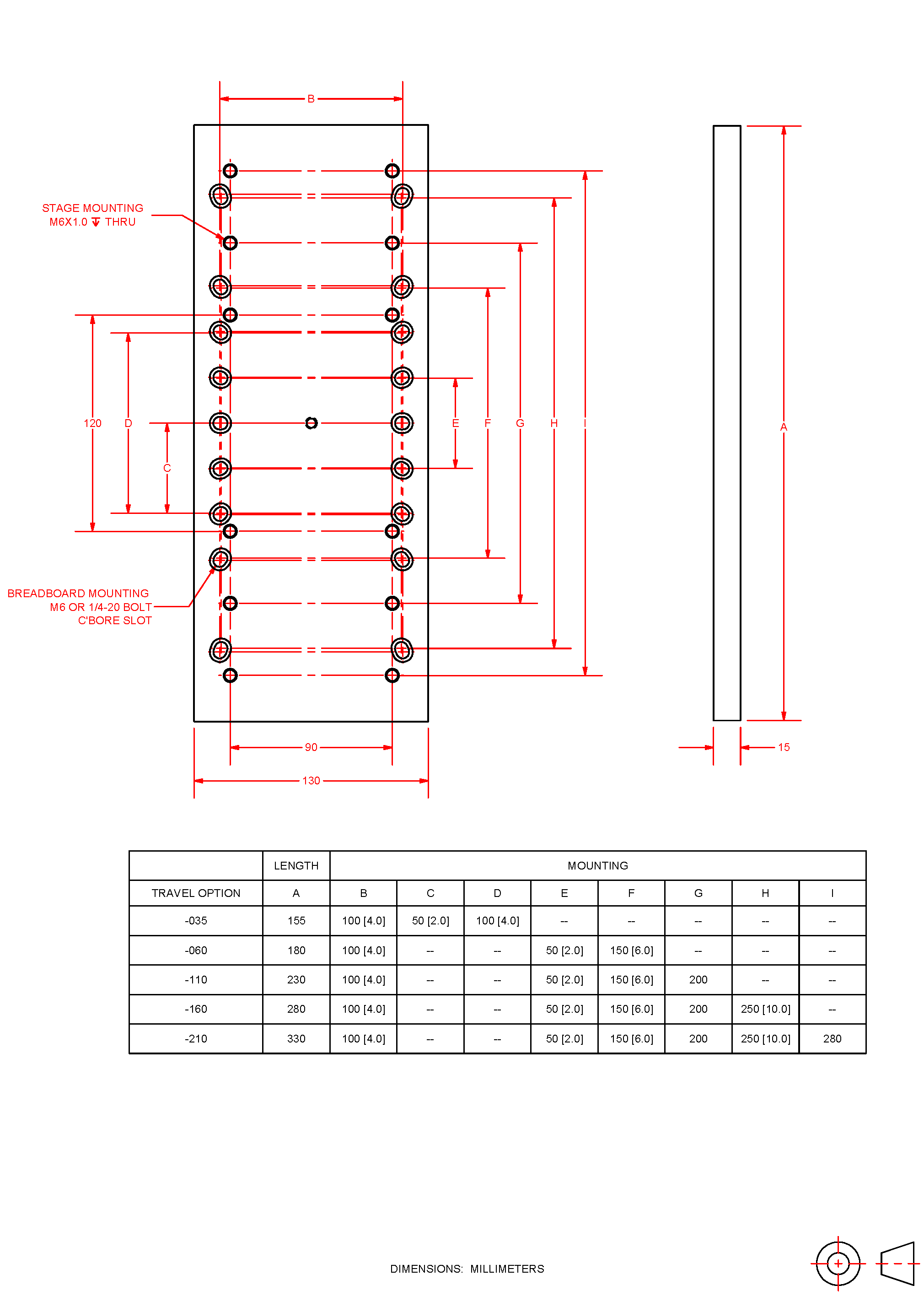
Dimensions
Ordering Info
Downloads
Description
Description
Specifications
Dimensions
Ordering Info
Downloads
Description
Design Features
- Enhanced second-generation design
- Delivers nanometer-level positioning performance over travel lengths up to 210 mm - NEW
- Achieves minimum incremental motion to 0.5 nm - NEW
- Features high-precision crossed-roller bearings for excellent dynamic performance & ample load capacity
- Maximizes process throughput & reliability with ironless direct-drive linear motor
- Integrates easily into multi-axis assemblies & motion subsystems
- Available with high-resolution incremental or absolute encoders - NEW
Key Applications
ANT130L stages are ideal for high-precision and high-dynamic positioning applications, including:
- Photonics assembly & inspection
- Fiber alignment & optimization
- Optics manufacturing, testing & inspection
- Sensor testing & qualification
- Semiconductor processing & inspection
- Research & laboratory applications
Industry-Leading Motion Performance
Outstanding accuracy, position repeatability and in-position stability require extremely fine system resolution. Now available with an improved high-performance encoder option, ANT130L can easily achieve minimum incremental steps of 0.5 nm. Our direct-drive technology exhibits no hysteresis or backlash, enabling accurate and repeatable nanometer-scale motion.
Noncontact Direct-Drive
Only noncontact direct-drive technology offers the robust, accurate and high-speed positioning necessary for mass production of precision devices. ANT130L stages use our advanced direct-drive technology to achieve the highest level of positioning performance. Coupled with anti-creep, crossed-roller bearings, ANT130L delivers ultra-smooth, consistent motion with outstanding dynamic characteristics to enhance your process capability. The optimized drive and bearing combination, packaged in a compact form factor, offers distinct performance advantages in many applications such as high-precision positioning, fiber alignment, optics manufacturing and inspection, sensor testing and scanning processes that demand smooth and precise motion.
Flexible System Design
The ANT130L family has universal mounting and tabletop patterns that allow for easy system integration. Two, three or more axes can be easily combined for flexible system designs and multi-axis configurations. Also available in an integrated XY arrangement, ANT130L stages are easily combined with other products -- including ANT130LZ, ANT130LZS, ANT130R, ANT130V, ANT20G and more -- to provide complex, multiple degree-of-freedom motion and positioning solutions.
Ordering Information
ANT130L Single-Axis Linear Nanopositioning Stage
Travel (Required)
| Option | Description |
| -035 | 35 mm travel |
| -060 | 60 mm travel |
| -110 | 110 mm travel |
| -160 | 160 mm travel |
| -210 | 210 mm travel |
Feedback (Required)
| Option | Description |
| -E1 | Incremental linear encoder, 1 Vpp amplified sine output |
| -E2 | Incremental linear encoder, digital RS422 output, 5 nm electrical resolution |
| -E3 | Absolute + Incremental 1 Vpp linear dual-track encoder |
| -E4 | Incremental linear encoder, 1 Vpp amplified sine output, high-performance |
Connectors (Required)
| Option | Description |
| -CN1 | Single 25-pin D connector, 25DU |
| -CN2 | Two connectors, 4-pin HPD and 25-pin D, 4DU-25DU |
- The -CN1 option is limited to a maximum bus voltage of 80 V. The -CN2 option is required for higher bus voltages.
Mounting Plate (Optional)
| Option | Description |
| -MP | Mounting plate |
Performance Grade (Required)
| Option | Description |
| -PL1 | Base Performance |
| -PL2 | High-Accuracy Performance, PLUS |
Integration (Required)
Aerotech offers both standard and custom integration services to help you get your system fully operational as quickly as possible. The following standard integration options are available for this system. Please consult Aerotech if you are unsure what level of integration is required, or if you desire custom integration support with your system.
| Option | Description |
| -TAS | Integration - Test as system Testing, integration, and documentation of a group of components as a complete system that will be used together (ex: drive, controller, and stage). This includes parameter file generation, system tuning, and documentation of the system configuration. |
| -TAC | Integration - Test as components Testing and integration of individual items as discrete components that ship together. This is typically used for spare parts, replacement parts, or items that will not be used together. These components may or may not be part of a larger system. |



